鑫良阀门 · 接头
为您管道安全保驾护航鑫良阀门 · 接头
为您管道安全保驾护航





产品描述:

JGD系列可曲挠橡胶接头主要用于输送液体、气体等物料的金属管道的柔性连接,可补偿位移、减振降噪,是一种新颖的橡胶减振制品。
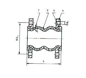
序号 | 部位 | 材料 |
1 | 主体 | *性橡胶 |
2 | 内衬 | 尼龙布 |
3 | 骨架 | 硬钢丝 |
4 | 法兰 | 软钢 |
橡胶软接头是由织物增强的橡胶件与平形活接头、松套金属法兰或螺纹管法兰组成,用于管道隔振降噪、补偿位移的接头。它是一种高弹性、高气密性、耐介质性和耐气候性的管道接头。
主要性能规范
公称压力(MPa) | 1.0 | 1.6 | |
真空度 | DN32-300 | 80 | 100 |
DN350-1200 | |||
试验压力(MPa) | 1.5 | 2.4 | |
爆破压力(MPa) | 3.0 | 4.8 | |
适用温度(℃) | -15~115(特殊定货可达-30~250) | ||
适用介质 | 水、海水、空气、油、弱酸、碱等 | ||
公称通径、长度、位移数值与法兰主要数据表
公称通径 | 长度(mm) | 轴向位移(mm) | 横向位移(mm) | 偏转角度(a1+a2) | ||
(mm) | (in.) | 伸长 | 压缩 | |||
32 | (11/4) | 175 | 20 | 30 | 45 | 30° |
40 | (11/2) | 175 | 20 | 30 | 45 | 30° |
50 | 2 | 175 | 20 | 30 | 45 | 30° |
65 | (21/2) | 175 | 25 | 50 | 45 | 30° |
80 | (3) | 175 | 25 | 50 | 45 | 30° |
100 | (4) | 225 | 35 | 50 | 35 | 30° |
125 | (5) | 225 | 35 | 50 | 35 | 30° |
150 | (6) | 225 | 35 | 50 | 35 | 30° |
200 | (8) | 325 | 35 | 50 | 30 | 30° |
250 | (10) | 325 | 35 | 50 | 30 | 30° |
300 | (12) | 325 | 35 | 50 | 30 | 20° |
350 | (14) | 345 | 35 | 50 | 28 | 20° |
400 | (16) | 345 | 35 | 50 | 28 | 20° |
500 | (20) | 345 | 35 | 50 | 28 | 20° |

专人技术指导
Special technical guidance
专人技术指导
Special technical guidance
实现三小时内现场服务
Realize on-site service within three hours
18个月质保 终身维护
18 months warranty life-long maintenance成功案例/Success stories
为您管道安全保驾护航
联系人:赵经理 手机:15936519330
电话:0373-4790330
邮箱:807176138@qq.com
地址:河南省新乡市获嘉县亢村工业园