鑫良阀门 · 闸阀
为您管道安全保驾护航鑫良阀门 · 闸阀
为您管道安全保驾护航





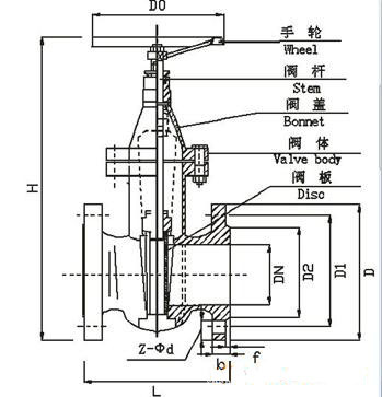
暗杆闸阀(Z45T-10)
Z45T-10型DN200暗杆楔式单闸板闸阀;手动、法兰连接、暗杆楔式刚性单闸板,阀座密封面材料为青铜,公称压力PN10,阀体材料为灰铸铁的闸阀。

主要零件材料
零件名称 | 材料 |
阀体、阀盖、手轮 | 灰铸铁 |
阀板 | 灰铸铁+铜 |
阀杆 | 铜 |
阀杆螺母 | 铜(铁) |
性能规范
型号 | 公称压力 (MPa) | 试验压力 | 工作温度 (℃) | 适用介质 | |
强度(水) | 密封(水) | ||||
Z45T-10 | 1.0 | 1.5 | 1.1 | ≤100 | 水、蒸气 |
外型尺寸和连接尺寸
型号 | 公称通径 | 尺寸 | 重量 | |||||
L | D | D1 | D2 | b-f | Z-φd | |||
Z45T-10
| 40 | 165 | 145 | 110 | 85 | 18-3 | 4-18 | 11 |
50 | 180 | 160 | 125 | 100 | 20-3 | 4-18 | 12 | |
65 | 195 | 180 | 145 | 120 | 20-3 | 4-18 | 13 | |
80 | 210 | 195 | 160 | 135 | 22-3 | 4-18 | 15 | |
100 | 230 | 215 | 180 | 155 | 22-3 | 8-18 | 18 | |
125 | 255 | 245 | 210 | 185 | 24-3 | 8-18 | 28 | |
150 | 280 | 280 | 240 | 210 | 24-3 | 8-23 | 37 | |
200 | 330 | 335 | 295 | 265 | 26-3 | 8-23 | 61 | |
250 | 390 | 390 | 350 | 320 | 28-3 | 12-23 | 100 | |
300 | 420 | 440 | 400 | 368 | 28-4 | 12-23 | 130 | |

专人技术指导
Special technical guidance
专人技术指导
Special technical guidance
实现三小时内现场服务
Realize on-site service within three hours
18个月质保 终身维护
18 months warranty life-long maintenance成功案例/Success stories
为您管道安全保驾护航
联系人:赵经理 手机:15936519330
电话:0373-4790330
邮箱:807176138@qq.com
地址:河南省新乡市获嘉县亢村工业园